回转窑无线测温传感器
产品概述
回转窑无线测温传感器是专为旋转窑体设计的特种测温系统,用于实时监测窑体表面或内部温度。它攻克了回转窑持续旋转、高温、高振动、现场布线困难等传统测温手段无法解决的行业痛点。
产品参数

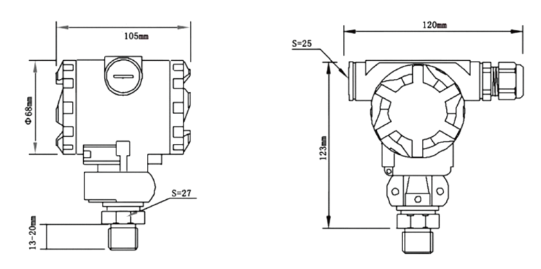
产品尺寸

安装方式
一、传感器布置
1.高温区、轮带区域重点监测
2.每节窑体至少布置3个测点
3.间距8-15米,形成完整温度场
二、基站安装
1.窑头或窑尾合适位置固定
2.确保与所有传感器通信畅通
3.防尘防热防护措施完善
三、系统调试
1.信号强度测试与优化
2.温度数据校准验证
3.报警阈值设定确认
系统结构
